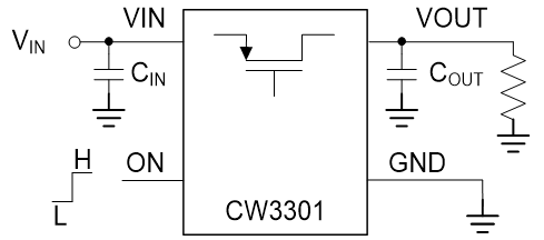
CW3301ÊÇÒ»¿î³¬Ð¡³ß´ç³¬µÍ¹¦ºÄµÄ¸ºÔØ¿ª¹Ø£¬£¬£¬£¬£¬£¬£¬£¬×î´ó2AÒ»Á¬µçÁ÷ÄÜÁ¦£¬£¬£¬£¬£¬£¬£¬£¬Ö§³ÖÊä³öµçѹ»ºÆô¶¯¡£¡£¡£¡£¡£¡£¡£Êä³ö¶Ë¿ìËٷŵ繦Ч¿ÉÑ¡¡£¡£¡£¡£¡£¡£¡£
¹¦Ð§Ìصã
? ÊäÈëµçѹ¹æÄ£:1.1V-5.5V
? µ¼Í¨ÄÚ×è
? VIN=5.5Vʱ£¬£¬£¬£¬£¬£¬£¬£¬Ron=30m¦¸
? VIN=3.3Vʱ£¬£¬£¬£¬£¬£¬£¬£¬Ron=39m¦¸
? VIN=1.8Vʱ£¬£¬£¬£¬£¬£¬£¬£¬Ron=62m¦¸
? VIN=1.1Vʱ£¬£¬£¬£¬£¬£¬£¬£¬Ron=130m¦¸
? ѹ°ÚÂÊ
? µä·¶Öµ£¬£¬£¬£¬£¬£¬£¬£¬tR=115¦Ìs
? ¹¦ºÄ£º
? ¾²Ì¬µçÁ÷£¬£¬£¬£¬£¬£¬£¬£¬VIN=1.8V£¬£¬£¬£¬£¬£¬£¬£¬µä·¶ÖµIQ=5nA
? ¹Ø¶ÏµçÁ÷£¬£¬£¬£¬£¬£¬£¬£¬VSD=1.8V£¬£¬£¬£¬£¬£¬£¬£¬µä·¶ÖµISD=12nA
? Ö§³Ö¿ìËٷŵç
? ONÒý½ÅÄÚÖÃÏÂÀµç×è
? ·â×°£ºWLCSP-4£¬£¬£¬£¬£¬£¬£¬£¬0.76mm*0.76mm
Ó¦ÓÃÁìÓò
? ÒÂ×Å×°±¸
? ÖÇÄÜÊÖ»ú
? IoT ×°±¸
? µÍ¹¦ÂÊÊÖ³Ö×°±¸
µä·¶Ó¦ÓÃ
