CW1252ÊÇÒ»¿î5´®¶þ¼¶±£»£»£»£»£»¤IC£¬£¬£¬£¬£¬£¬Ö§³Ö¹ý³ä¡¢¹ý·Å¡¢Î¶ȱ£»£»£»£»£»¤¡£¡£¡£¡£¡£¡£
¹¦Ð§ÌØÕ÷
? ¹ý³äµç±£»£»£»£»£»¤
? ãÐÖµ¹æÄ£ 2.8V¡¢3.65V~3.95V¡¢4.175V~4.500V£¬£¬£¬£¬£¬£¬25mV²½½ø£¬£¬£¬£¬£¬£¬¡À25mV¾«¶È
? ¹ý·Åµç±£»£»£»£»£»¤
? ãÐÖµ¹æÄ£ 1.2V¡¢2.100V~3.000V£¬£¬£¬£¬£¬£¬100mV²½½ø£¬£¬£¬£¬£¬£¬¡À30mV¾«¶È
? ζȼì²â¹¦Ð§
? ³äµçÆéá«Î±£»£»£»£»£»¤£¬£¬£¬£¬£¬£¬±£»£»£»£»£»¤Î¶ÈÍⲿ¿ÉÉè
? ·Åµç¸ßα£»£»£»£»£»¤£¬£¬£¬£¬£¬£¬±£»£»£»£»£»¤Î¶ÈÍⲿ¿ÉÉè
? µÍ¹¦ºÄÉè¼Æ
? ÊÂÇé״̬ 4¦ÌA (25¡ãC)
? ÐÝÃß״̬ 2.5¦ÌA (25¡ãC)
? ·â×°ÐÎʽ£ºMSOP10
Ó¦ÓÃÁìÓò
? µç¶¯¹¤¾ß
? µç¶¯×ÔÐгµ
? ºó±¸µçÔ´
? ï®Àë×Ó¼°ï®¾ÛºÏÎïµç³Ø°ü
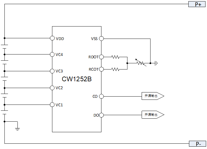
µä·¶Ó¦Óõç·
